Maurizio Monteduro

GLI AMPLIFICATORI PER STRUMENTAZIONE

Supponiamo di dover amplificare il segnale proveniente da un trasduttore. dovremo risolvere alcuni problemi che normalmente ci si possono presentare. In primo luogo il segnale potrà presentarsi o in tensione o come variazione di resistenza; quindi, per poter manipolare codesto segnale dovremo segliere l'amplificatore più adatto all'interno di due grosse categorie di circuiti, inoltre il range di variazioni sarà decisamente limitato: nei casi di segnale di tensione avremo valori che vanno dall'ordine dei mV a poche centinaia di mV nei casi più fortunati; in più, generalmente, lo strumento di amplificazione e visualizzazione del dato non sarà spazialmente vicino al trasduttore stesso, quindi l'informazione dovrà essere incanalata lungo una guida, tipicamente lungo un cavo. Ci troveremo di fronte ad un situazione di questo tipo:


Il cavo, a questo punto, si trova immerso nei disturbi che possono essere sia di tipo elettromagnetico che di tipo elettrostatico; da questi ultimi ci si protegge facilmente utilizzando un cavo schermato che, come noto, funge da gabbia di Faraday. Ma, se noi osserviamo bene la figura, ci accorgiamo che fra i due collegamenti di massa viene a crearsi una spira ad alta impedenza (indicata col tratteggio), ciò vuol dire che viene ad indursi una tensione che sarà tranquillamente amplificata dall'amplificatore.

Per questo motivo, non si usa mai una connessione di questo tipo, ma si utilizza un collegamento bifilare come riportato nella figura che segue:


Il polo "caldo", ovvero quello che porta il segnale, è, in realtà, costituito da due fili attorcigliati in modo antiinduttivo (Ayrton-Perry) in maniera che il campo elettromagnetico cheviene a crearsi in ogni tratto del filo, venga ad essere annullato dal campo elettromagnetico, uguale in modulo, ma opposto in verso, formatosi nel tratto corrispondente dell'altro filo.

Inoltre è opportuno che il sensore (rappresentato dal suo equivalente di Thevenin) sia schermato e che lo schermo, così come il sensore, venga connesso a massa, in modo da evitare eventuali "passeggiate" in tensione causate da correnti di disturbo che possono essere presenti nel conduttore di massa.

Nasce spontanea un'ultima osservazione. Sarebbe un grossolano errore connettere il punto "A" del circuito a massa, in quanto, a causa delle correnti di dispersione, fra quel punto e la massa del sensore verrebbe a crearsi una differenza di potenziale. Per questo motivo, nei circuiti che devono manipolare segnali piuttosto deboli con una certa fedeltà, non esiste un "filo" (o peggio, una spira) di massa, ma è presente solo un punto a cui fanno riferimento, a raggiera, tutti i componenti che necessitano una connessione al potenziale di riferimento.

Da quanto detto, vediamo che il segnale proveniente da un dispositivo come quelli schematizzati in figura, sarà composto da un segnale di modo comune (Vcm) che segue le vicende della massa, e da un segnale differenziale (il nostro segnale utile) pari alla differenza delle tensioni che giungono all'amplificatore dai cavi. Resta obbligata, a questo punto la scelta dell'amplificatore: esso dovrà essere differenziale con un'altissima reiezione delmodo comune.

Il primo circuito che ci viene in mente, il più semplice, è quello che usa un amplificatore operazionale che, per i nostri conti, verrà supposto ideale. Il circuito sarà il seguente:


Calcoliamoci quanto vale la Vu.

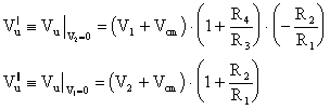
Definiamo V3 la caduta di tensione ai capi della resistenza R4, ovvero la tensione presente fra il morsetto non invertente dell'amplificatore operazionale e la massa. Tenendo conto che nell'operazionale, essendo supposto ideale, non entra corrente, posso dire che


Siccome i due morsetti dell'operazionale sono equipotenziali, questa tensione sarà presente anche sul morsetto invertente, pertanto la corrente che circola in R1 varrà:


quindi la caduta ai capi di R2 sarà pari a ovvero:


scrivendo l'equazione alla maglia, dirò che:


ovvero

da cui


dovendo annullare la tensione di modo comune, dovrò porre il coefficiente di ecm = 0, pertanto


e quindi

ovvero:


andando a sostituire questa relazione nell'espressione di Vu e svolgendo banali calcoli, otterrò:


Questa formula affascina per la sua semplicità, ma nasconde diverse insidie: innanzitutto dovrò trovare delle resistenze che stiano nello stesso rapporto due a due, il che è piuttosto difficile. Infatti, anche integrando i componenti, io riuscirò facilmente ad avere resistenze uguali, ma se le resistenze fossero uguali otterrei un guadagno unitario (0 dB) e, verosimilmente, avrei bisogno di un secondo stadio di amplificazione. Supponiamo di voler un guadagno di 40 dB (100), utilizzando una resistenza R1 = 10 KW avrò R2 = 1 MW. Per realizzare resistenze così diverse dovrò utilizzare, a livello di integrazione, tecnologie diverse ovvero otterrò due resistenze con differenti coefficienti di temperatura, cioè, nel momento in cui la temperatura mi va a variare, il rapporto 1/100 mi salta. Questo è un grave problema; un altro, forse secondario, e che per variare il guadagno dovrò regolare due resistenze per volta, il che è piuttosto complicato. Se poi andassimo a considerare le correnti di polarizzazione e gli offsets, vedremmo che questo circuito va decisamente male. In altri termini, dobbiamo riuscire a trovare una topologia di rete che riesca a rendere le due resistenze il più possibile simili fra loro.

Se noi riuscissimo a sommare due segnali, l'uno sfasato di 180° rispetto all'altro, e potessimo variare, con una sola resistenza, il guadagno, probabilmente avremmo risolto il nostro problema. Per fare mente locale, apriamo un breve inciso ed andiamo a rivedere il circuito sommatore:


Calcoliamo ora l'espressione della tensione d'uscita.

Applicando il Principio di Sovrapposizione degli Effetti (PSE) possiamo affermare che:


che, nel caso in cui R1 = R2 = R, si trasforma in


Il risultato può, ovviamente, essere esteso ad un numero n qualsiasi di generatori, per cui:


Chiudendo l'inciso e continuando a seguire il nostro ragionamento, arriviamo ad un amplificatore realizzato come in figura:


Calcoliamo la tensione di uscita, tenendo presente che indichiamo, come faremo nel prosieguo, e quindi:


tenendo presente che:


possiamo affermare che:


Anche in questo caso siamo pervenuti ad una formula semplice: l'unica difficoltà parrebbe quella di dover realizzare quattro resistenze uguali fra loro (R1), ma ciò, a livello di comune integrazione, è abbastanza semplice. Il grosso problema giace, invece, nella resistenza di ingresso; come noto, infatti, la Ring di un amplificatore di tensione invertente realizzato con un operazionale, è circa pari alla resistenza posta fra il generatore di tensione del segnale e l'ingresso invertente dell'operazionale (nel nostro caso R1 per entrambi gli ingressi), mentre Ring è molto alta (teoricamente infinita) per gli amplificatori di tensione non invertenti. Pensiamo quindi ad un'altra topologia circuitale, che preveda l'ingresso del segnale sui morsetti non in vertenti dell'operazionale. Esaminiamo quindi il circuito in figura:


Anche in questo caso, calcoliamo il valore di Vu, applicando il PSE. Supponiamo nulle le resistenze di uscita degli operazionali:


da cui:


dovendo avere Vcm = 0, dovremo porre


da cui:


con queste premesse, il valore di Vu sarà pari a:


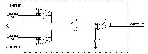
Come prima, anche in questo caso ci troviamo a dover utilizzare resistenze che siano in un determinato rapporto le une con le altre. Se, d'altro canto, volessimo realizzare il circuito adoperando quattro resistori uguali, il guadagno complessivo risulterebbe essere pari a 2, ovvero ca. 6 dB, e potrebbe essere decisamente troppo basso. A questo punto, pensiamo di dover costruire un amplificatore a due stadi ben definiti, il primo avrà il compito di guadagnare, mentre il secondo stadio bilancerà le uscite del primo ed effettuerà i doverosi adattamenti di impendenza. Il circuito avrà, quindi, lo schema riportato in figura:


Osserviamo attentamente questo circuito, e ricordiamoci un momento che fra i morsetti di ingresso di un amplificatore operazionale non cade tensione. Ciò vuol dire che i morsetti invertenti, in questa connessione, sono delle masse virtuali l'uno relativamente all'ingresso dell'altro, pertanto possiamo facilmente semplificare il circuito, realizzando questo schema:


Come di consueto, calcoliamo il valore della tensione di uscita, applicando il PSE.



Riunendo i risultati, otteniamo:


Come si può facilmente vedere, questo circuito si comporta come un unico amplificatore operazionale ad altissime reiezione del modo comune ed impedenza di ingresso (CMRR >100 dB a 50 Hz, Zing ÷ 1010 W) e verrà utilizzato normalmente per amplificare segnali provenienti da strain gages, termocoppie ed altri trasduttori. Il guadagno è regolabile variando una sola resistenza (R2). Amplificatori di questo tipo vengono normalmente integrati, lasciando disponibili i morsetti per connettere R2. Nella figura seguente si riporta, racchiuso dal tratto discontinuo, uno di questi amplificatori (come l'INA101 della BURR BROWN, ad esempio), tralasciando i morsetti previsti per le alimentazioni, il recupero degli offset e la massa. Valori tipici delle resistenze sono: R = 10 KW ed R1 = 20 KW.


Home Page Torna alla Home Page